Le plan

 

Gournah 
Le pylône 
La cour 
Le portique 
Le plan 
Culte solaire 
Hypostyle 
Salles I à VIII 
Les barques 
Salles Ouest 
Salles Sud 
Salle XXXIV 
Extérieur Sud 
Extérieur nord 
Références 

 

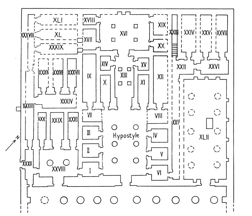
Le plan des chapelles

Cette partie du temple est constituée de trois parties distinctes. L'aile sud (ici à gauche) comprend un ensemble de chapelles dédiées à Sethy (salles XXXIV à XXXVII)  et des chapelles dédiées à Ramsès Ier, père de Sethy (salles XXVIII à XXXI).  Les salles du Nord (ici à droite) sont dédiées à Rê-Horakhty et au culte solaire. Au milieu, la salle hypostyle est entourée de plusieurs chapelles dont  trois  pour les barques d'Amon (XII), Mout (X) et Khonsou.(XI). Les murs en pointillé n'existent plus. Cependant le mur entre les salles XI et XII , comme le mur entre les salles X et  IX , bien que marqués comme existants, en fait n'existent plus.

Les chapelles autour de la salle Hypostyle , ainsi que les chapelles des barques ont été décorées pendant le règne de Sethy 1er. Sous ce roi, ont été décorées également la chapelle XXIX dédiée à Ramsès I, ainsi que les chapelles se trouvant sur le plan au-dessus des chapelles des barques. Toutes les autres chapelles, ainsi que le portique , ont été décorées à différents moments du règne de Ramsès II.

 

Copyright (c)  robert rothenfllug